DESCRIPTION
The LRF0815C-02 laser rangefinder module operates at an eye-safe 1535nm wavelength (compliant with EN60825-1:2003), featuring an uncased compact design, lightweight construction (<200g), and broad operating temperature range (-40°C to +65°C). This product is a mid-to-long-range ranging module with a distance error of ≤2m.
TECHNICAL SPECIFICATIONS
| Project |
Performance Indicators |
| Model |
LRF0815C |
| Laser Wavelength |
1535±5nm |
| Eye- safety |
Class Ⅰ |
| Divergence Angle |
≤0.3 mrad |
| Laser Energy |
≥300 μJ |
| Launch Lens Diameter |
Φ12 mm |
| Receiver Lens Diameter |
Φ40 mm |
| Measuring Range
(Reflectance 30%; visibility ≥ 10 km.)
|
NATO objective(2.3m×2.3m) ≥8000m |
| Minimum Range |
≤15 m |
| Ranging Frequency |
0.5Hz ~10Hz |
| Number of multi-target detections |
Up to 3 targets |
| Ranging Accuracy |
±2 m |
| Range Resolution |
≤0.1 m |
| Precision Rate |
≥98% |
| False Alarm Rate |
≤1% |
| Communication interface |
RS422(Optional TTL) |
| Supply Voltage |
DC12 V |
| Standby power consumption |
≤1.2W |
| Average power consumption |
≤2 W |
| Peak Power Consumption |
≤3W@10Hz |
| Weight |
≤175g |
| Dimension (L×W×H) |
65mm×46mm×86mm |
| Operating Temperature |
-40~+70 ℃ |
| Storage Temperature |
-55~+75 ℃ |
| Impact Resistance |
Meet the MIL-STD-810G testing standard |
| Vibration Resistance |
Meet the MIL-STD-810G testing standard |
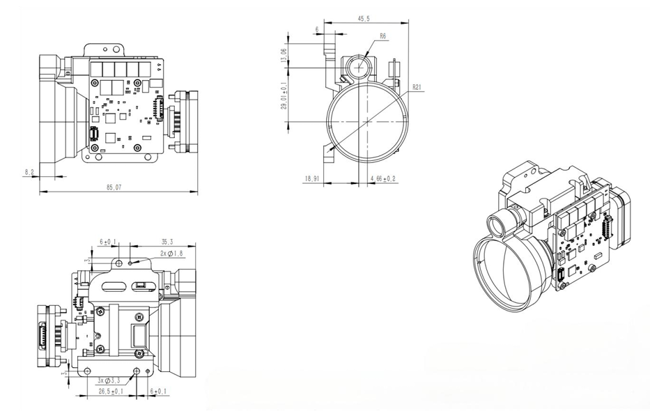
OUTLINE DIMENSION(mm)

PIN INTERFACE
Electrical connector model: J30J;Detailed definition of electrical interface is shown in the following table:
Table Interface definition
|
Pin
|
definition
|
function
|
Remarks:
|
|
1
|
GND
|
Serial port ground
|
|
|
2
|
GND
|
12V input negative
|
|
|
3
|
GND
|
12V input negative
|
|
|
4
|
VCC 12V
|
12V input positive
|
|
|
5
|
VCC 12V
|
12V input positive
|
|
|
6
|
RS422 RX+
|
Serial port receive +
|
Upper computer to rangefinder
|
|
7
|
RS422 RX-
|
Serial port receive -
|
Upper computer to rangefinder
|
|
8
|
RS422 TX-
|
Serial port transmit -
|
Rangefinder to upper computer
|
|
9
|
RS422 TX+
|
Serial port transmit +
|
Rangefinder to upper computer
|