DESCRIPTION
The LRF1221C-02 laser rangefinder module utilizes 1535nm eye-safe laser (Class 1 IEC 60825-1) with an uncased design, lightweight (≤285g), and energy efficiency (standby power ≤1.2W). This product is suitable for long-distance differential ranging, and the minimum ranging distance should not be less than 50m.
TECHNICAL SPECIFICATIONS
| Project |
Performance Indicators |
| Model |
LRF1221C |
| Laser Wavelength |
1.54μm±0.02μm |
| Eye- safety |
Class Ⅰ |
| Divergence Angle |
≤0.3 mrad |
| Laser Energy |
≥300 μJ |
| Launch Lens Diameter |
Φ12 mm |
| Receiver Lens Diameter |
Φ40 mm |
| Measuring Range
(Reflectance 30%; visibility ≥15km.)
|
4m × 6m Objective ≥12 km |
| Minimum Range |
≤50 m |
| Ranging Frequency |
0.5Hz ~10Hz |
| Communication interface |
RS422 |
| Ranging Accuracy |
±2 m |
| Range Resolution |
≤0.1 m |
| Precision Rate |
≥98% |
| False Alarm Rate |
≤1% |
| Pin-in-lead package model |
J30J |
| Supply Voltage |
DC12 V |
| Standby power consumption |
≤1.2W |
| Average power consumption |
≤2 W |
| Peak Power Consumption |
≤3W@10Hz |
| Weight |
≤275g |
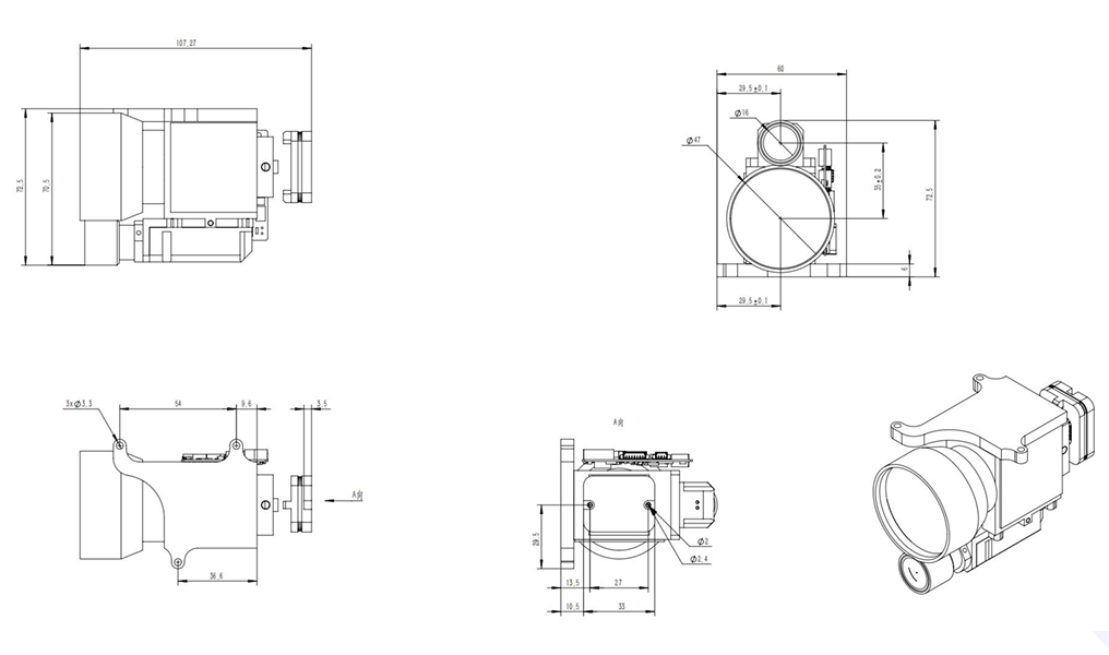
| Dimension (L×W×H) |
107×62×72mm |
| Operating Temperature |
-40~+70 ℃ |
| Storage Temperature |
-55~+75 ℃ |
| Impact Resistance |
Meet the MIL-STD-810G testing standard |
| Vibration Resistance |
Meet the MIL-STD-810G testing standard |
OUTLINE DIMENSION(mm)

PIN INTERFACE
Electrical connector model: J30J; The corresponding plug and cable shall be provided by Party B. The detailed definition of the electrical interface is shown in the following table:
Interface Definition
| Pin |
Definition |
Function |
Remarks |
| 1 |
GND |
Serial Port Ground |
|
| 2 |
GND |
12V Input Negative |
|
| 3 |
GND |
12V Input Negative |
|
| 4 |
VCC 5V |
12V Input Positive |
|
| 5 |
VCC 5V |
12V Input Positive |
|
| 6 |
RS422 RX+ |
Serial Port Receive + |
From the upper computer to the rangefinder |
| 7 |
RS422 RX- |
Serial Port Receive - |
From the upper computer to the rangefinder |
| 8 |
RS422 TX- |
Serial Port Transmit - |
From the rangefinder to the upper computer |
| 9 |
RS422 TX+ |
Serial Port Transmit + |
From the rangefinder to the upper computer |