DESCRIPTION
The LRF1830C laser ranging module utilizes a 1535nm erbium-glass laser source and operates on the single-pulse Time-of-Flight (TOF) principle, achieving a maximum range of ≥18km (for a 4m×6m target). It integrates a laser emitter, transmitting/receiving optical systems, and a control circuit board, delivering high accuracy (±2m) and multi-target ranging capability (up to three targets). This product is a transceiver lens, suitable for long-distance differential ranging, with a minimum ranging distance of not less than 50 meters.
TECHNICAL SPECIFICATIONS
| Project |
Performance Indicators |
| Model |
LRF1830C |
| Laser Wavelength |
1.54μm±0.02μm |
| Eye- safety |
Class Ⅰ |
| Divergence Angle |
≤0.3 mrad |
| Laser Energy |
≥500 μJ |
| Launch Lens Diameter |
Φ18 mm |
| Receiver Lens Diameter |
Φ60 mm |
| Measuring Range
(Reflectance 30%; visibility ≥ 18 km.)
|
4m×6m Objective ≥18 km |
| Minimum Range |
≤50 m |
| Ranging Frequency |
0.5Hz ~10Hz |
| Number of multi-target detections |
RS422 |
| Ranging Accuracy |
±2 m |
| Range Resolution |
≤0.1 m |
| Precision Rate |
≥98% |
| False Alarm Rate |
≤1% |
| Pin-in-lead package model |
J30J |
| Supply Voltage |
DC12 V |
| Standby power consumption |
≤1.2W |
| Average power consumption |
≤2 W |
| Peak Power Consumption |
≤3W |
| Weight |
≤400g |
| Dimension (L×W×H) |
125mm×100mm×70mm |
| Operating Temperature |
-40~+70 ℃ |
| Storage Temperature |
-55~+75 ℃ |
| Impact Resistance |
Meet the MIL-STD-810G testing standard |
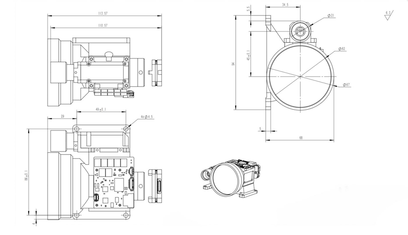
OUTLINE DIMENSION(mm)

PIN INTERFACE
Electrical connector model: J30J; The corresponding plug and cable shall be provided by Party B. The detailed definition of the electrical interface is shown in the following table:
Interface Definition
| Pin |
Definition |
Function |
Remarks |
| 1 |
GND |
Serial Port Ground |
|
| 2 |
GND |
12V Input Negative |
|
| 3 |
GND |
12V Input Negative |
|
| 4 |
VCC 5V |
12V Input Positive |
|
| 5 |
VCC 5V |
12V Input Positive |
|
| 6 |
RS422 RX+ |
Serial Port Receive + |
From the upper computer to the rangefinder |
| 7 |
RS422 RX- |
Serial Port Receive - |
From the upper computer to the rangefinder |
| 8 |
RS422 TX- |
Serial Port Transmit - |
From the rangefinder to the upper computer |
| 9 |
RS422 TX+ |
Serial Port Transmit + |
From the rangefinder to the upper computer |