DESCRIPTION
The LR100-02 laser target designator is a powerful assistant for precision strikes on the battlefield. It is compact, easy to install and carry, and can be flexibly applied to a variety of combat equipment. When working, it can emit high-energy laser beams to clearly indicate targets for guided weapons. With its excellent anti-interference ability, it can also operate stably in complex environments, ensuring the accuracy of target indication and effectively improving weapon hit accuracy and combat effectiveness.
| Parameter Indicators |
| Module |
LDR100K1 |
| Pump Source |
Laser LD (Laser Diode) Pumping |
| Cooling Method |
Passive cooling, no temperature control |
| Working Mode |
Laser Ranging, Laser target indication |
| Operating Wavelength |
1064nm±1nm |
| Pulse Energy |
≥Both 85mj and 160mj can be switched |
| Laser Energy Stability |
Within a single irradiation cycle, the pulse energy fluctuation does not exceed 8% of the average energy. |
| Pulse Width |
≥15ns±5ns |
| Beam Divergence Angle |
≤0.2mrad |
| Stability of The Laser Optical Axis |
≤0.05mrad |
| Ranging performance |
| Ranging frequency |
1~25Hz |
| Continuous Laser Ranging Time |
5min(1Hz)/1min (5Hz)/20S(20Hz) |
| Minimum measuring distance |
≤200m |
| Maximum measuring distance |
≥30km (Under the conditions of a target with a size of 2.3m×2.3m, a diffuse reflectance coefficient of not less than 0.2, a visibility of not less than 40 km, and a relative humidity of not more than 70%)
|
| Ranging accuracy |
±1m |
| Rate of successful measurement |
98% |
| Ranging mode |
continuously working for 5min, rest for 4min, continuous 5 cycles(at low/normal temperature)
continuously working for 5min, rest for 4min, continuous 2cycles(at high temperature and 85mj output)
continuously working for 2 min, rest for 4min, continuous 2cycles(at high temperature and 160mj output)
|
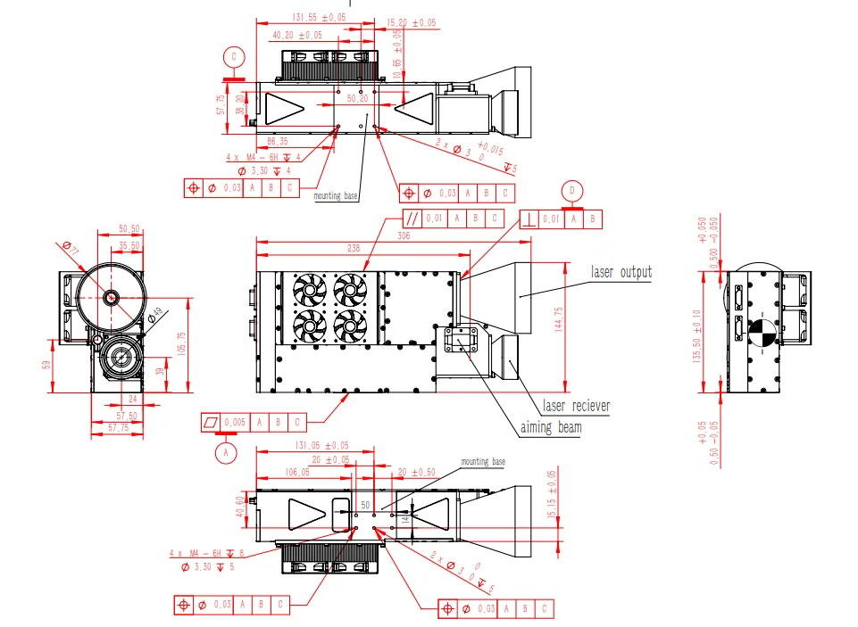
MECHANICAL DIMENSION(mm)
