DESCRIPTION
The 1064nm Laser Ranging, Target Designator and Indicator System stands as an advanced solution tailored for high-precision distance measurement and laser-coded designation, boasting exceptional operational stability. During ranging operations, it delivers precise measurements for distances exceeding 5000 meters. With a total weight of merely 380 grams, the module features a compact structure that ensures effortless portability. It offers customizable laser divergence angles within the 0.5–1 milliradian range, enabling seamless adaptation to diverse working scenarios. Adhering to international standards, the system guarantees global compatibility and consistent reliability across applications.
| Parameter Indicators |
| Module |
LDR25K1 |
| Pump Source |
Laser LD (Laser Diode) Pumping |
| Working Mode |
Ranging, target indication |
| Laser Wavelength |
1.064μm |
| Pulse Energy |
≥25 mJ |
| Laser Energy Stability |
Within one target indication cycle, the fluctuation of the single-pulse energy does not exceed 10% of the average energy (statistical data is collected 2 seconds after the light is emitted). |
| Pulse Width |
≥15 ns±5ns |
| Beam Divergence Angle |
≤0.5mrad |
| Stability of The Laser Optical Axis |
≤0.05mrad |
| Ranging performance |
| Ranging frequency |
1~20Hz |
| Continuous Laser Ranging Time |
5min(1Hz)/1min (5Hz)/20S(20Hz) |
| Minimum measuring distance |
≤ 120m |
| Maximum measuring distance |
≥5000m(Visibility: 13.5 km, target reflectivity: 0.2, target size: 2.3 m × 2.3 m)
|
| Ranging accuracy |
±2m |
| Rate of successful measurement |
≥98% |
| Ranging logic |
First and last target |
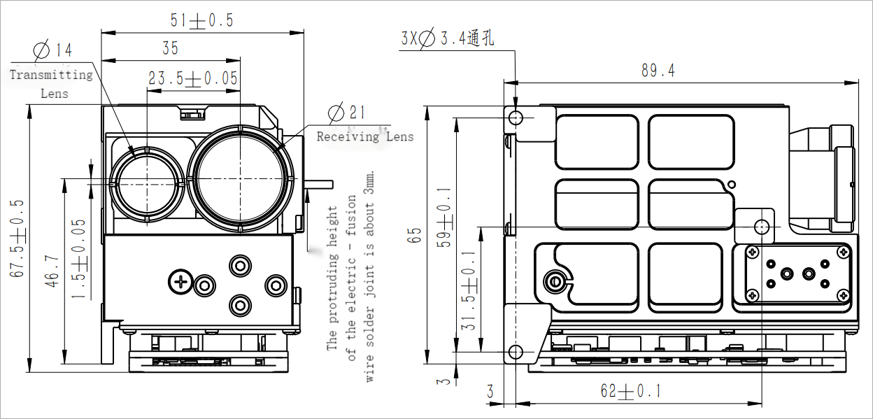
MECHANICAL DIMENSION(mm)
