DESCRIPTION
The LRF0610C is a Class 1 eye-safe laser ranging module, compliant with ANSI/IEC 60825-1 safety standards. It delivers a ranging capability of **≥6000m for NATO standard targets (2.3m×2.3m) and operates within -40℃~+65℃ extremes.
TECHNICAL SPECIFICATIONS
| Project |
Performance Indicators |
| Model |
LRF0612C |
| Laser Wavelength |
1535±5nm |
| Eye- safety |
Class Ⅰ |
| Divergence Angle |
≤0.3 mrad |
| Laser Energy |
≥200 μJ |
| Launch Lens Diameter |
Φ12 mm |
| Receiver Lens Diameter |
Φ25 mm |
| Measuring Range
(Reflectance 30%; visibility ≥ 8 km.)
|
NATO objective(2.3m×2.3m) ≥6000m
Measuring human target(0.5m×1.7m) ≥1200m
|
| Minimum Range |
≤50 m |
| Ranging Frequency |
1Hz ~10Hz |
| Number of multi-target detections |
Up to 3 targets |
| Ranging Accuracy |
±2 m |
| Range Resolution |
≤0.1m |
| Precision Rate |
≥98% |
| False Alarm Rate |
≤1% |
| Pin-in-lead package model |
A1257WR-S-6P |
| Supply Voltage |
DC 4.5~16 V |
| Standby power consumption |
≤1 mW |
| Average power consumption |
≤4 W @ |
| Peak Power Consumption |
≤14W @12 V |
| Weight |
≤ 58±1g |
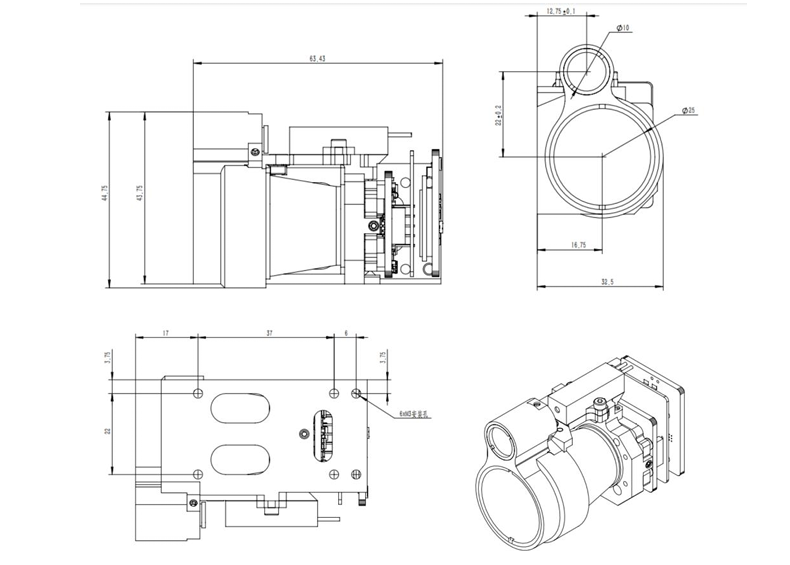
| Dimension (L×W×H) |
65mm×48mm×32 mm |
| Operating Temperature |
-40~+70 ℃ |
| Storage Temperature |
-55~+75 ℃ |
| Impact Resistance |
Meet the MIL-STD-810G testing standard |
| Vibration Resistance |
Meet the MIL-STD-810G testing standard |
OUTLINE DIMENSION(mm)

PIN INTERFACE
Electrical connector model: Molex51021-0500. The detailed definition of the electrical interface is as follows:
Table 1 Interface definition
| External plug-in XS3 |
Model:Molex51021-0500 |
Remark |
| 1 |
TTL RX |
3.3V |
| 2 |
TTL TX |
3.3V |
| 3 |
CTRL |
3.3V-5V power on, 0V power off |
| 4 |
+5V |
Power supply+ |
| 5 |
GND |
Power supply- |