PRODUCT COMPOSITION
A. TY-LS-124 Detection Module
B. LW-03 Position Marker
FEATURES
A. Long range: up to 10km under 80mj irradiation conditions;
B. High line-of-sight angular velocity accuracy: mean deviation ≤0.1°/s (within 5°/s).
| Parameter Indicators |
| Mechanical Indicators |
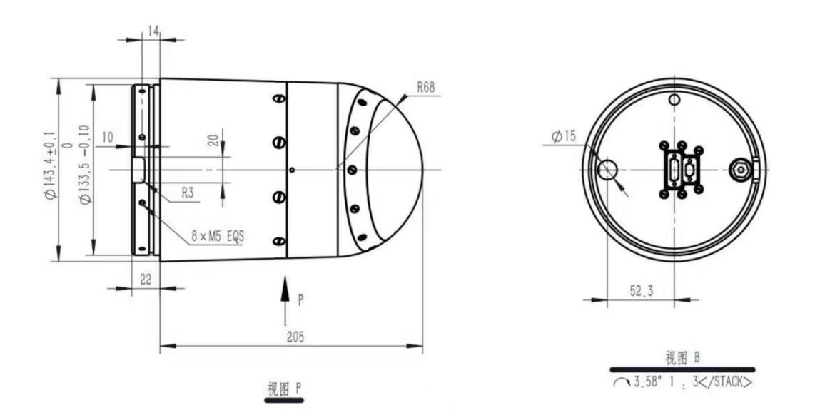
Aperture |
143.4mm |
| Length |
227mm |
| Weight |
2.7kg |
| Frame Angle Range |
Heading: ±30° Pitch: -50°~+20° |
| Electrical Properties |
Laser Irradiation Energy |
80mj |
| Action Distance |
≥10km |
| Blind Area |
≤50m |
| Instantaneous Field of View |
≥±7° |
| Maximum Tracking Angular Velocity |
≥12°/s |
| Tracking Loop Bandwidth |
≥1.2Hz (90° Phase Lag) |
| Frame angle Accuracy |
≤0.1° |
| Line of Sight Angular Velocity Mean Deviation |
Angular Velocity ≤ 2 °/s: Error≤0.1°/s 2°/s<Angular Velocity≤12°/s: error≤15% |
| Line of Sight Angular Velocity Noise |
≤0.15°/s(2 σ/4km) |
| Isolation |
≤0.2% (Projectile Disturbance Condition 3°/2Hz) |
| Search Method |
Manual Search, Circular Search, Fixed Axis Search |
| Memory Time |
0.5s±0.2s |
| Electrical Properties |
Startup Time |
≤2s |
| Maximum Continuous Working Time |
≥1h |
| Power Consumption |
Supply Voltage 27±4V, Steady-State Operating Current ≤2A |
| Communication Interface |
UART, RS422 Level (Isolated) |
| Communication Baud Rate |
115.2k bps, Adjustable |
| Environmental Carrying Capacity |
Applicable Temperature |
-40℃~+60℃ |
MECHANICAL DIMENSION(mm)
